氣動陶瓷閘閥 | PZ673TC
氣動陶瓷閘閥 產品說明
氣動陶瓷閘閥適用于高硬度的顆粒例如(灰渣水)等介質,或有軟顆粒但又有腐蝕性的介質的管道上作啟閉之用。公稱壓力1.0MPa,適應溫≤150℃。氣源壓力0.6-0.8MPa。
密封面采用硬密封與介質接觸的部分均為結構陶瓷材料,其化學穩定性及硬度極高。因此,本閥具有極高的耐磨損、耐腐蝕、耐沖蝕性能,且隔熱性好、熱膨脹小。
氣動陶瓷閘閥料口全流通無阻擋物,耐磨性能強,密封性能好,啟動負荷小卡灰及結灰現象少。
氣動陶瓷閘閥采用高檔曾韌結構陶瓷密封,機械強度高耐磨性能好使用壽命長。結構緊湊可任意角度安裝。
氣動陶瓷閘閥 材質
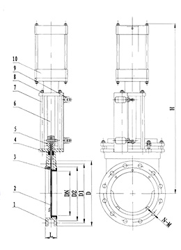
序號 | 名稱 | 材料 | 序號 | 名稱 | 材料 |
---|---|---|---|---|---|
1 | 閥體 | WCB | 6 | 閥桿 | Q235+鍍鉻 |
2 | 閥板 | SS304+工程陶瓷 | 7 | 支柱 | Q235 |
3 | 閥座 | 工程陶瓷 | 8 | 蠼母 | 25 |
4 | 填料 | PTFE | 9 | 行程開關 | |
5 | 填料壓毚 | WCB | 10 | 氣動裝置 | 鋁合金 |
氣動陶瓷閘閥 性能參數
設計與制造 | JBAT8691 | |
---|---|---|
連接端尺寸 | 結構長度 | GB/T 15188.2 |
法蘭尺寸 | GB/T 9113.1 | |
檢驗與試驗 | GaTJB/T8691 | |
材料 | 碳鋼 | GB/T12229 |
標志 | GB/T12220 | |
供貨 | GB/T 12252 |
氣動陶瓷閘閥 結構尺寸圖
氣動陶瓷閘閥 連接尺寸
DN | PN(MPA) | L | D | D1 | D2 | H | N-M |
---|---|---|---|---|---|---|---|
50 | 1.0 | 43 | 165 | 125 | 99 | 285 | 4-M16 |
65 | 46 | 185 | 145 | 118 | 300 | 4-M16 | |
80 | 46 | 200 | 160 | 132 | 315 | 8-M16 | |
100 | 52 | 220 | 180 | 156 | 365 | 8-M16 | |
125 | 56 | 250 | 210 | 184 | 400 | 8-M16 | |
150 | 56 | 285 | 240 | 211 | 475 | 8-M20 | |
200 | 60 | 340 | 295 | 266 | 540 | 8-M20 | |
250 | 68 | 395 | 350 | 319 | 630 | 12-M20 | |
300 | 78 | 445 | 400 | 370 | 780 | 12-M20 | |
350 | 78 | 505 | 460 | 429 | 885 | 16-M20 | |
400 | 102 | 565 | 515 | 480 | 990 | 16-M24 | |
450 | 114 | 615 | 565 | 530 | 1100 | 20-M24 | |
500 | 127 | 670 | 620 | 582 | 1200 | 20-M24 | |
600 | 154 | 780 | 725 | 685 | 1450 | 24-M30 |