氣動穿透式插板閥 | Z673X
氣動穿透式插板閥 產品說明
氣動穿透式插板閥顯著特點:閥腔不積渣,特別適合于漿體輸送及粉體物粒的輸送。設計制造 Design and manufacture: JB/T8691-1998
結構長度 structural length: GB/T15188.2-94
法蘭連接 Flange connection: GB/T9113.1-2000 JB/T79-94
試驗與驗收 testing and acceptance: GB/T13927-92
氣動穿透式插板閥 材質
閥體、上蓋 | 碳鋼、不銹鋼 |
---|---|
閥板 | 不銹鋼 |
閥桿 | 不銹鋼 |
密封圈 | 四氟、橡膠PTFE, |
氣動穿透式插板閥 性能參數
公稱壓力 | PN |
---|---|
殼體試驗 | 1.5XPN |
密封試驗 | 1.1XPN |
工作溫度 | 橡膠≤80℃ 四氟密封≤180℃? |
適用介質 | 干灰、紙漿、糖漿、污水、煤氣粉末顆粒物、渣水混合物等 |
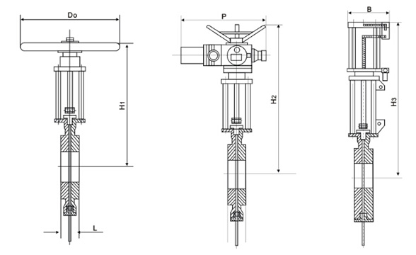
氣動穿透式插板閥 結構尺寸圖
氣動穿透式插板閥 連接尺寸
DN | L | H1 | H2 | H3 | D1 | D2 | D0 | N-M | P | B |
---|---|---|---|---|---|---|---|---|---|---|
100 | 51 | 405 | 705 | 585 | 180 | 156 | 240 | 8-M16 | 490 | 170 |
125 | 57 | 450 | 780 | 665 | 210 | 184 | 260 | 8-M16 | 490 | 190 |
150 | 570 | 510 | 810 | 770 | 240 | 211 | 280 | 8-M20 | 490 | 240 |
200 | 70 | 615 | 930 | 920 | 295 | 266 | 300 | 12-M20 | 520 | 335 |
250 | 70 | 715 | 1080 | 1175 | 355 | 319 | 320 | 12-M24 | 520 | 335 |
300 | 76 | 822 | 1140 | 1255 | 410 | 370 | 340 | 12-M24 | 520 | 335 |
350 | 76 | 975 | 1290 | 1455 | 470 | 429 | 360 | 16-M24 | 520 | 350 |
400 | 89 | 1024 | 1344 | 1559 | 525 | 480 | 400 | 16-M27 | 605 | 390 |
450 | 89 | 1235 | 1560 | 1926 | 585 | 548 | 450 | 20-M27 | 605 | 430 |
500 | 114 | 1265 | 1610 | 2226 | 650 | 609 | 500 | 20-M30 | 605 | 430 |