電動對夾球閥 | CHQ971F
電動對夾球閥|電動超薄型球閥 產品說明
電動對夾球閥|電動超薄型球閥是一種轉角90°的旋轉類球閥,是引進意大利技術進行國產化設計而發展出的新一代超短法蘭距球閥,球芯通道形狀有矩形、V形及O形。該產品具有結構緊湊、體積小、重量輕、安裝方便等特點,可廣泛應用在石油、化工、冶金、電站、輕工等領域,對油、水、氣及紙漿或纖維狀流體進行自動調節或切斷控制。球閥是一種重要的閥類,在石油化工和長輸管線等領域有廣泛應用。它的關閉件是一個帶孔的部分球體,球體隨閥桿轉動,實現閥門的開啟或關閉。流向可任意,可調范圍廣,能用于高壓和大口徑場合,控制高粘度,帶有纖維和細顆粒的介質。
電動對夾球閥|電動超薄型球閥 性能參數
公稱通徑DN(mm) | 15~150 | |||
---|---|---|---|---|
公稱壓力PN(MPa) | 1.6~6.4 | |||
公稱壓力Ps(MPa) | 強度試驗 | 2.4~9.6 | ||
密封試驗 | 1.76~7.0 | |||
材料(代號) | C | P | R | |
主要 零件 |
閥體 | WCB | ZG1Cr18Ni9Ti | ZGOCr18Ni12Mo2Ti |
球桿 | 2Cr13 | ZG1Cr18Ni9Ti | ZG0Cr18Ni12Mo2Ti | |
閥桿 | 2Cr13 | 1Cr18Ni9Ti | 0Cr18Ni12Mo2Ti | |
密封圈 | 聚四氟乙烯、不銹鋼、硬質合金 | |||
填料 | 聚四氟乙烯、柔性石墨 | |||
適用 工況 |
適用介質 | 水,蒸汽,油品 | 硝酸類 | 醋酸類 |
適用溫度 | -28~400℃ | -28~500℃ | ||
執行器 | 型 號 | CH/QT等系列電子式電動執行機構 | ||
連接形式 | 對夾式、法蘭式,法蘭按JB79-59標準 |
電動對夾球閥 材質說明
零件名稱 | 材料名稱 | |||
---|---|---|---|---|
閥體 | WCB | 304(CF8) | 316(CF8M) | 316L(CF3M) |
球體 | 2Cr13+氮化處理 | 304 | 316 | 316L |
閥桿 | 2Cr13 | 304 | 316 | 316L |
密封圈 | 聚四氟乙烯(PTFE)、增強聚四氟乙烯(PPL)、對位聚苯、柔性石墨 | |||
適用介質 | 水、氣體、蒸汽、油品等 | 硝酸等腐蝕性介質 | 醋酸等腐蝕介質 | 尿素等腐蝕性介質 |
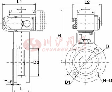
電動對夾球閥|電動超薄型球閥 結構尺寸圖
電動對夾球閥 連接尺寸
主要外形尺寸-PN16(16bar) | |||||||||||
---|---|---|---|---|---|---|---|---|---|---|---|
公稱通徑 DN |
連接尺寸mm | 執行器選配 | |||||||||
L | L1 | L2 | H | D | D1 | D2 | T-f | N-D | |||
15 | 32 | 165 | 150 | 220 | 95 | 65 | 46 | 14-2 | 4-12 | CHV-005 | CHQ-010 |
20 | 38.5 | 165 | 150 | 230 | 105 | 75 | 56 | 14-2 | 4-12 | CHV-005 | CHQ-010 |
25 | 45 | 165 | 150 | 185 | 115 | 85 | 65 | 16-3 | 4-12 | CHV-005 | CHQ-010 |
32 | 55 | 165 | 150 | 195 | 140 | 100 | 76 | 16-3 | 4-16 | CHV-010 | CHQ-010 |
40 | 62 | 190 | 170 | 205 | 150 | 110 | 84 | 18-3 | 4-16 | CHV-010 | CHQ-020 |
50 | 72 | 190 | 170 | 210 | 165 | 125 | 99 | 20-3 | 4-16 | CHV-010 | CHQ-020 |
65 | 95 | 190 | 170 | 220 | 185 | 145 | 118 | 22-3 | 4-16 | CHV-020 | CHQ-010 |
80 | 120 | 270 | 220 | 270 | 200 | 160 | 132 | 24-3 | 8-16 | CHV-040 | CHQ-030 |
100 | 145 | 270 | 220 | 280 | 220 | 180 | 156 | 24-3 | 8-16 | CHV-060 | CHQ-040 |
125 | 200 | 270 | 220 | 295 | 250 | 210 | 184 | 26-3 | 8-16 | CHV-080 | CHQ-050 |
150 | 225 | 270 | 220 | 310 | 285 | 240 | 211 | 26-3 | 8-20 | CHV-100 | CHQ-060 |
電動對夾球閥 圖片
更多>> 產品列表
- · 電動法蘭球閥 | CHQ941F
- · 電動對夾球閥 | CHQ971F
- · 電動內螺紋球閥 | CHQ911F
- · 電動快裝球閥 | CHQ981F
- · 電動雙由令球閥 | CHQ911F
- · 電動三通球閥 | CHQ944(5)F
- · 電動襯氟球閥 | CHQ941F46
- · 電動真空球閥 | GUD
- · 電動保溫球閥 | CHBQ941H
- · 電動高壓球閥 | CHQ941N
- · 電動高溫球閥 | CHGQ941H
- · 電動調節球閥 | CHOQ941F
- · 電動V型調節球閥 | CHVQ947F
- · 電動衛生級球閥 | CHQ981F
- · 電動防爆球閥 | CHExQ941F
- · 電動偏心半球閥 | CHPQ947F
更多>> 閥門圖片列表
更多>> 其他閥門