CHV精小型電動執行器 | CHV型
CHV精小型電動執行器 產品說明
CHV精小型電動執行器用于控制0°~270°旋轉的閥門及其他同類產品,如蝶閥、球閥、風門、擋板閥、旋塞閥、百葉閥等,可以廣泛應用于石油、化工、水處理、船舶、造紙、電站、供熱,輕工等各行業中。它以380V/220V/110V交流電源為驅動電源,以4-20mA電流信號或0-10V DC 電壓信號為控制信號,可使閥門運動到所需位置,實現其自動化控制,大輸出扭距達4000N·m。
CHV精小型電動執行器 技術參數
外 殼 | 防水級別 IP67,NEMA4 and 6 |
---|---|
電機電源 | 110/220V AC 單相,380/440V AC 3相, 50/60Hz, ±10% |
控制電源 | 110/220V AC 單相,50/60 Hz, ±10% |
電 機 | 鼠籠式異步電動機 |
限位開關 | 2 X 開/關, SPDT,250V AC 10A |
輔助限位開關 | 2 X 開/關, SPDT,250V AC 10A |
行 程 | 90°~270 ±10°(0°~270°) |
失效保護/操作溫度 | 內置熱保護,開120℃ ±5℃ /關 97℃ ±15℃ |
指 示 器 | 連續的位置指示 |
手動操作 | 機械手柄 |
自鎖裝置 | 蝸輪,蝸桿機構提供自鎖 |
機械限位 | 2個外部調整螺栓 |
干 燥 器 | 7-10W (110/220V AC)防冷凝 |
接 線 孔 | 2個M18 |
環境溫度 | -20℃-- +70℃ |
潤 滑 | 鋁基潤滑脂(EP 型) |
CHV精小型電動執行器 產品特點
殼體 | 殼體為硬質鋁合金,經陽極氧化處理和聚酯粉末涂層,耐腐蝕性強,防護等級為IP67,NEMA4和6,并有IP68型供選擇 |
---|---|
電機 | 全封閉式鼠籠式電機,體積小,扭距大,慣性力小,絕緣等級為F級,內置熱保護開關,可防止損壞電機 |
指示器 | 指示器安裝在中心軸上,可以觀察閥門位置。透鏡采用凸出鏡設計,不積水,觀察更方便 |
干燥器 | 用來控制溫度,防止由于溫度和天氣變化導致執行器內部水分凝結,保持內部電氣元件的干燥 |
密封 | 密封性好,標準產品防護等級是IP67,并可選IP68防護等級 |
自鎖 | 精密的蝸輪蝸桿機構可高效傳輸大扭距,效率高,噪音低(大50分貝),壽命長;有自鎖功能,防止反轉,傳動部分穩定可靠,無需再加油 |
安裝 | 底部安裝尺寸符合ISO5211/ DIN3337國際標準,孔成雙四方形便于帶方桿的閥線性或45°轉角安裝,適應性強。可以垂直安裝,也可以水平安裝 |
線路 | 控制線路符合單相或三相電源標準,線路布置緊湊合理,接線端子可有效滿足各種附加功能的要求 |
手動結構 | 手柄的設計保證安全可靠、省力、體積小。不通電時,扳動手柄可進行手動操作。不用手動時,將板手置于板手夾內,方便使用 |
限位開關 | 機械,電子雙重限位。機械限位螺釘可調,安全可靠;電子限位開關由凸輪機構來控制,簡單的調整機構能精確并方便地設定位置,且不受手輪過量的影響 |
防脫螺栓 | 拆除外殼時,螺栓附在殼體上,不會脫落 |
CHV精小型電動執行器 選型參數
型號 | 輸出扭矩 | 90°動作時間 | 輸出軸 | 電機 | 額定電流(A)50HZ | 手輪轉數 | 重量 |
---|---|---|---|---|---|---|---|
N·M | s | mm | W | 220V | N | KG | |
CH-05 | 50 | 30 | 14x14/φ20 | 10 | 0.25 | 10 | 3.6 |
CH-08 | 80 | 30 | 14x14/φ20 | 10 | 0.25 | 10 | 3.6 |
CH-10 | 100 | 30 | 17x17/φ25 | 15 | 0.35 | 7.5 | 4.6 |
CH-15 | 150 | 30 | 17x17/φ25 | 15 | 0.37 | 7.5 | 4.6 |
CH-20 | 200 | 30 | 27x27/φ42 | 45 | 0.3 | 48 | 13 |
CH-30 | 300 | 30 | 27x27/φ42 | 45 | 0.31 | 48 | 13.4 |
CH-40 | 400 | 30 | 27x27/φ42 | 60 | 0.33 | 48 | 13.8 |
CH-60 | 600 | 30 | 27x27/φ42 | 90 | 0.33 | 48 | 14 |
CH-80 | 800 | 45 | 27x27/φ42 | 180 | 0.47 | 48 | 14.3 |
CH-100 | 1000 | 135 | maxφ65 | 180 | 0.47 | 130 | 60 |
CH-160 | 1600 | 135 | maxφ65 | 180 | 0.85 | 130 | 60 |
CH-200 | 2000 | 135 | maxφ65 | 180 | 0.85 | 130 | 60 |
CH-300 | 3000 | 135 | maxφ65 | 180 | 0.85 | 130 | 60 |
CHV精小型電動執行器 圖片
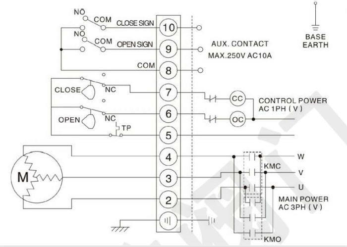
CHV精小型電動執行器 接線圖
開關型接線圖(AC220V電壓)帶無源觸點反饋
調節型接線圖(AC220V電壓)帶無源觸點反饋
三相電接線圖(AC380V\AC440V)
開關量輸入4-20mA及開關信號輸出接線圖
直流開關型接線圖(DC24V)
更多>> 產品列表
- · 341執行器
- · 361執行器
- · 381調節型電動執行器
- · 381防爆電動執行器
- · 382智能一體化執行器
- · 西門子智能一體化執行器
- · CHV精小型電動執行器
- · CHQ智能一體化電動執行器
- · PSL電動執行器
- · PSQ執行器
- · DKZ執行器
- · 多回轉執行器
更多>> 閥門圖片列表
更多>> 其他閥門