氣動對夾蝶閥 | CHD671X
氣動對夾蝶閥 產品說明
氣動對夾蝶閥是中線軟密封蝶閥是管線優先選用的常規蝶閥,具有結構簡潔,流阻系數小,流量特性趨于直線,不會滯留雜物。且重量輕,安裝方便,驅動扭矩較小的優點。氣動蝶閥既可作切斷介質用,又可作調節介質的流量用。選用不同材料的零件,配用不同材料的密封圈,可適應不同的介質、工況。適用于溫度≤120℃或≤150℃,公稱壓力≤1.6MPa給排水、污水、食品、供暖、燃氣、船舶、水電、冶金、能源系統以及輕紡等行業。蝶閥安裝時,先關閉閥門,后進行安裝,以防止碰傷蝶板密封面。兩管道法蘭而應平行,使得裝緊后閥門和管道法蘭接觸壓力平均。管道法蘭內孔不宜過大,保證不大于5mm,以防壓板受壓位置不對而變形失效。
氣動對夾蝶閥 性能參數
| 公稱通徑DN(mm) | 50~1200 |
|---|---|
| 公稱壓力 | PN1.0、1.6、2.5MPa |
| 連接形式 | 對夾式 |
| 閥板形式 | 垂直板式 |
| 配置執行機構 | GT、AT、AR、AW系列單雙作用氣動執行器 |
| 控制方式 | 開關型(開關兩位控制)、調節型(4~20mA控制) |
氣動對夾蝶閥 材質說明
| 零件名稱 | 材料名稱 |
|---|---|
| 閥體 | 鑄鐵、鑄鋼、不銹鋼、鉻鉬鋼、合金鋼 |
| 蝶板 | 鑄鋼、合金鋼(鍍硬鉻)、不銹鋼、鉻鉬鋼 |
| 密封圈 | 橡膠、PTFE、PPL、不銹鋼、聚內脂、抗磨材料 |
| 閥桿 | 2Cr13、1Cr13不銹鋼、鉻鉬鋼 |
| 填料 | 聚四氟乙烯、柔性石墨 |
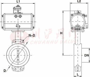
氣動對夾蝶閥 結構尺寸圖
氣動對夾蝶閥 連接尺寸
| PN1.0~1.6MPa | |||||||
|---|---|---|---|---|---|---|---|
| 公稱 通徑 DN |
外型尺寸mm | 外型連接尺寸 | 執行器型號 | ||||
| L | L1 | L2 | H | D | N-D | ||
| 50 | 42 | 141/159 | 71/83 | 269/281 | 120 | 4-23 | AT-D-52/AT-S-63 |
| 65 | 44.7 | 159/211 | 83/95 | 283/303 | 136.2 | 4-26.5 | AT-D-63/AT-S-75 |
| 80 | 45.2 | 159/248 | 83/107 | 289/309 | 160 | 8-18 | AT-D-63/AT-S-88 |
| 100 | 52.1 | 211/269 | 95/123 | 320/338 | 185 | 4-24.5 | AT-D-75/AT-S-100 |
| 125 | 54.4 | 248/269 | 107/123 | 351/366 | 215 | 4-23 | AT-D-88/AT-S-100 |
| 150 | 55.8 | 269/345 | 123/152 | 380/405 | 238 | 4-25 | AT-D-100/AT-S-125 |
| 200 | 60.6 | 345/409 | 152/172 | 435/477 | 295 | 4-29 | AT-D-125/AT-S-145 |
| 250 | 65.6 | 409/438 | 172/187 | 509/552 | 357 | 4-29 | AT-D-145/AT-S-160 |
| 300 | 76.5 | 438/550 | 187/215 | 597/622 | 407 | 4-30 | AT-D-160/AT-S-190 |
| 350 | 76.5 | 550/600 | 215/240 | 653/688 | 467 | 4-30 | AT-D-190/AT-S-210 |
| 400 | 86.5 | 550/633 | 215/262 | 720/787 | 515 | 4-30 | AT-D-190/AT-S-240 |
| 450 | 105.6 | 600/633 | 240/262 | 772/858 | 565 | 4-30 | AT-D-210/AT-S-240 |
| 500 | 131.8 | 633/730 | 262/330 | 867/1004 | 620 | 4-33 | AT-D-240/AT-S-270 |
| 600 | 152 | 730/1700 | 330/- | 998/1220 | 725 | 4-36 | AT-D-270/AW-S-25 |
| 700 | 163 | 1320/1970 | - | 1116/1282 | 840 | 4-36 | AW-D-25/AW-S-28 |
| 800 | 188 | 1430/2700 | - | 1330/1007 | 950 | 4-39 | AW-D-28/AW-S-35 |
氣動對夾蝶閥 圖片
更多>> 產品列表
- · 氣動橡膠密封蝶閥 | CHD671X
- · 氣動橡膠密封蝶閥 | CHD641X/F
- · 氣動三偏心蝶閥 | CHD673H/Y
- · 氣動三偏心蝶閥 | CHD643H/Y
- · 氣動快裝蝶閥 | CHD681X
- · 氣動塑料蝶閥 | CHD671X
- · 氣動水泥蝶閥 | BLF
- · 氣動衛生級蝶閥 | CHD681X
- · 氣動衛生級蝶閥 | CHD681X
- · 氣動真空蝶閥 | GIQ
- · 氣動四氟蝶閥 | CHD671F
- · 氣動襯氟法蘭蝶閥 | CHD641F
- · 氣動襯膠蝶閥 | CHD671J
- · 氣動襯膠法蘭蝶閥 | CHD641J
- · 氣動襯氟蝶閥 | CHD671F46
- · 氣動通風蝶閥 | CHD641W
- · 大口徑氣動通風蝶閥 | CHD641W
- · 氣動調節蝶閥 | CHD671X
- · 氣動法蘭調節蝶閥 | CHD643H/Y
- · 氣動通風調節蝶閥 | CHD641W
- · 氣動焊接蝶閥 | CHD663H
- · 氣動伸縮蝶閥 | CHSD643H
更多>> 閥門圖片列表
更多>> 其他閥門
