氣動三通切斷閥 | ZMQF
氣動三通切斷閥 產品說明
氣動三通切斷閥是由氣動薄膜執行器和三通閥組成,具有結構簡單、操作力大、體形小、重量輕、流阻小、閥容大、密封性能好、維修方便等優點。廣泛應用于石油、化工、冶金、電力、輕紡等生產過程中的三位切斷控制。
氣動三通切斷閥可以選配AC220V\DC24V電磁閥、限位開關、空氣過濾減壓閥等附件,電磁閥接受控制系統給出的開關量控制信號后實現對切斷閥的開閉的切換。
氣動三通切斷閥 性能參數
公稱通徑DN(mm) | 15 | 20 | 25 | 32 | 40 | 50 | 65 | 80 | 100 | 125 | 150 | 200 | |
---|---|---|---|---|---|---|---|---|---|---|---|---|---|
額定流量系數kv | 套筒 | 11 | 20 | 30 | 48 | 75 | 120 | 190 | 300 | 480 | 760 | ||
單座 | 5 | 7 | 11 | 20 | 30 | 48 | 75 | 120 | 190 | 300 | 480 | 760 | |
三通 | |||||||||||||
額定行程(mm) | 8 | 12 | 20 | 25 | 40 | 50 | |||||||
允許泄漏量 | 硬密封(L/H) | 套筒5×10-5閥額定容量 單座、三通1.2×10-7×閥的額定容量 | |||||||||||
軟密封(ml/min) | 0泄漏 | ||||||||||||
膜片有效面積(cm2)(薄膜式切斷閥) | 100 | 200 | 400 | 600 | 1000 | ||||||||
公稱壓力PN(MPa) | 1.6 4.0 6.4 | ||||||||||||
允許壓差(MPa) | 單座 | 6.4 | 6.4 | 3.8 | 2.5 | 2.9 | 1.8 | 2.0 | 1.3 | 0.83 | 0.8 | 0.55 | 0.52 |
套筒 | 6.4 | ||||||||||||
信號壓力KPa | 200(薄膜片) | ||||||||||||
回訊電壓 | AC220V/DC24V/DC110V |
氣動三通切斷閥 零部件參數
材料代號 | C(WCB) | P(304) | R(316) | |
---|---|---|---|---|
主要 零件 |
閥體、閥蓋 | WCB(ZG230-450) | ZG1Cr18Ni9Ti(304) | ZG1Cr18Ni12Mo2Ti(316) |
閥芯、閥座 | 1Cr18Ni9Ti(304)或司鈦萊合金堆焊 | 1Cr18Ni9Ti(304)或司鈦萊合金堆焊 | 1Cr18Ni12Mo2Ti(316)或司鈦萊合金堆焊 | |
閥桿 | 2Cr13 | 1Cr18Ni9Ti | 1Cr18Ni12Mo2Ti | |
填料 | V型聚四氟乙烯(F4)、柔性石墨、 | |||
墊片 | 增強聚四氟乙烯(F4) 、不銹鋼墊片、金屬石墨纏繞墊片 | |||
上下膜蓋 | A3鋼板沖壓 | |||
波紋膜片 | 丁晴橡膠夾增強滌淪織物 | |||
彈簧 | 60Si2Mn | |||
推桿、襯套 | 2Cr13 | |||
軸套 | 聚氨酯(用于反作用) | |||
適用工況 | 適用介質 | 水蒸汽油品類氣液體 | 硝酸堿類腐蝕性氣液體 | 醋酸類等腐蝕性氣液體 |
適用溫度 | -30~+200℃ -30~+450℃ F4:≤200℃ |
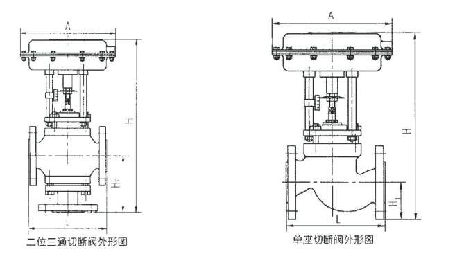
氣動三通切斷閥 結構尺寸圖
氣動三通切斷閥 連接尺寸
公稱通徑 | 15 | 20 | 25 | 32 | 40 | 50 | 65 | 80 | 100 | 125 | 150 | 200 | |
---|---|---|---|---|---|---|---|---|---|---|---|---|---|
A | φ 196 | φ 232 | φ 308 | φ 394 | φ 498 | ||||||||
L | PN16、40 | 130 | 150 | 160 | 180 | 200 | 230 | 290 | 310 | 350 | 400 | 480 | 600 |
PN64 | 210 | 230 | 230 | 260 | 260 | 300 | 340 | 380 | 430 | 500 | 550 | 600 | |
H | PN16、40 | 305 | 340 | 345 | 370 | 380 | 390 | 475 | 490 | 500 | 765 | 825 | 927 |
PN64 | 320 | 350 | 354 | 372 | 382 | 397 | 473 | 475 | 517 | 805 | 882 | 815 | |
波紋管密封型 | 375 | 409 | 414 | 431 | 441 | 468 | 555 | 570 | 613 | 855 | 915 | 1017 | |
H1 | PN16、40 | 50 | 53 | 58 | 70 | 75 | 83 | 93 | 100 | 110 | 125 | 148 | 170 |
PN64 | 60 | 65 | 70 | 77.5 | 85 | 90 | 100 | 85 | 125 | 148 | 170 | 208 | |
H2 | PN64 | 115 | 115 | 121 | 130 | 140 | 153 | 178 | 190 | 200 | 260 | 320 | 380 |
PN16 | 125 | 125 | 130 | 140 | 150 | 160 | 185 | 200 | 220 | 280 | 320 | 360 | |
PN40 | 150 | 150 | 160 | 170 | 180 | 200 | 230 | 250 | 282 | 310 | 430 | 480 | |
H3 | PN16、40 | 404 | 415 | 428 | 448 | 448 | 468 | 561 | 578 | 590 | 886 | 1008 | 1120 |
PN64 | 365 | 430 | 498 | 528 | 528 | 530 | 535 | 540 | 600 | 890 | 1208 | 1305 | |
波紋管密封型 | 395 | 465 | 478 | 509 | 509 | 548 | 641 | 658 | 670 | 976 | 1098 | 1210 | |
重量 ( kg) | 標準型 | 10 | 10 | 12 | 15 | 18 | 23 | 35 | 45 | 60 | 75 | 90 | 120 |
波紋管密封型 | 12 | 12 | 14 | 17 | 20 | 26 | 38 | 48 | 64 | 79 | 95 | 125 |
氣動三通切斷閥 圖片