襯氟球閥 | Q41F46
襯氟球閥 產品說明
Q41F46襯氟球閥用聚四氟乙烯作為內襯材料,配之以新型的帶桿球體結構,再加上其獨特的彈性唇式密封座結構,使其具有普通球閥的各項優點,能在大壓差和較大的溫差變化范圍內具有高密封性能和低操作扭矩。手動襯氟球閥,襯四氟法蘭球閥可作開關或調節之用。適用于工業管道中液體和氣體的輸送(包括蒸氣),各種酸、堿、鹽類等強腐蝕性介質的管道。
襯氟球閥 材質參數
零件名稱 | 灰鑄鐵 | 鑄鋼 | 不銹鋼 | 超低碳不銹鋼 | ||
---|---|---|---|---|---|---|
Z | C | P | R | PL | RL | |
閥體、閥蓋 | HT250 | WCB | CF8 | CF8M | CF3 | CF3M |
球體 | WCB | WCB | CF8 | CF8M | CF3 | CF3M |
襯里層/閥座 | FEP(F46) PCTFE(F3)PFA(可洛性聚四氟乙烯) | |||||
填料壓蓋 | HT250 | WCB | CF8 | CF8M | CF3 | CF3M |
填料 | PTFE(F4) 聚四氟乙烯 PTFE(F4)聚四氟乙烯 | |||||
螺栓 | 35 | 35 | 1Cr17Ni2 | 1Cr17Ni2 | 1Cr18Ni9 | 1Cr18Ni9 |
螺母 | 45 | 45 | 0Cr18Ni9 | 0Cr18Ni9 | 0Cr18Ni9 | 0Cr18Ni9 |
手柄 | WCC | WCC | WCC | WCC | WCC | WCC |
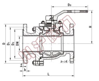
襯氟球閥 結構尺寸圖
襯氟球閥 連接尺寸
公稱通徑 | 標準值 | 參考值 | ||||||||||
---|---|---|---|---|---|---|---|---|---|---|---|---|
DN(mm) | NPS(inch) | L | D | D1 | D2 | f | b | Z-Φd | Do(手柄) | Do(蝸輪) | H | WT(Kg) |
PN1.0MPa | ||||||||||||
15 | 1/2 | 140 | 95 | 65 | 45 | 2 | 14 | 4-Φ14 | 120 | 80 | 2.5 | |
20 | 3/4 | 140 | 105 | 75 | 55 | 2 | 16 | 4-Φ14 | 140 | 90 | 3 | |
25 | 1 | 150 | 115 | 85 | 65 | 2 | 16 | 4-Φ14 | 160 | 100 | 4.5 | |
32 | 11/4 | 165 | 135 | 100 | 78 | 2 | 18 | 4-Φ14 | 160 | 110 | 5.7 | |
40 | 11/2 | 180 | 145 | 110 | 85 | 2 | 18 | 4-Φ14 | 200 | 120 | 7 | |
50 | 2 | 200 | 160 | 125 | 100 | 3 | 20 | 4-Φ14 | 250 | 135 | 9.5 | |
65 | 11/2 | 220 | 180 | 145 | 120 | 3 | 20 | 4-Φ14 | 300 | 145 | 15 | |
80 | 3 | 250 | 195 | 160 | 135 | 3 | 22 | 4-Φ14 | 350 | 185 | 19 | |
100 | 4 | 280 | 215 | 180 | 155 | 3 | 22 | 8-Φ18 | 400 | 95 | 33 | |
125 | 5 | 320 | 245 | 210 | 185 | 3 | 24 | 8-Φ18 | 500 | 210 | 58 | |
150 | 6 | 360 | 280 | 240 | 210 | 3 | 24 | 8-Φ23 | 200 | 450 | 93 | |
200 | 8 | 457 | 335 | 295 | 265 | 3 | 26 | 8-Φ23 | 240 | 490 | 155 | |
250 | 10 | 533 | 390 | 350 | 320 | 3 | 28 | 12-Φ23 | 240 | 550 | 210 |
襯氟球閥圖片