氣動盲板閥 | F643CX
氣動盲板閥 產品說明
F643CX氣動盲板閥又名氣動眼睛閥、氣動扇形眼鏡閥、氣動扇形盲板閥、翻板閥、扇形閥,是按GB6222《工業企業煤氣安全規程》的有關標準同時消化吸收國內外先進技術基礎上自行研制開發的新一代產品。氣動推桿眼鏡閥以其優越的性能為冶金、化工、環保等行業的有毒、有害、易燃氣體管路實現自動化控制提供了一種安全、可靠的隔斷設備。氣動盲板閥主要由左閥體、右閥體、絲桿副、翻板、密封圈、杠桿、液壓油缸等零件組成,并由底座、支撐柱構成一個剛性結構體。電動推桿眼鏡閥中設有夾緊油缸和翻板油缸,夾緊油缸通過杠桿副和絲杠螺旋副驅動左、右閥體完成松開、夾緊動作,翻板油缸驅動翻板完成開關動作。橡膠密封圈鑲嵌在翻板上,具有耐高溫、密封性能好、更換方便、使用壽命長等特點。
氣動盲板閥 性能參數
公稱壓力MPa | 0.25 | 0.15 | 0.10 | 0.05 |
密封試驗壓力MPa | 0.275 | 0.165 | 0.11 | 0.055 |
強度試驗壓力MPa | 0.40 | 0.225 | 0.15 | 0.075 |
驅動源 | 壓縮空氣0.4-0.6MPa 油壓壓力6.3MPa 3相380V50HZ | |||
適用溫度℃ | 丁腈橡膠 | 硅橡膠 | 氟橡膠 | |
-20-100 | -20-200 | -20-300 | ||
適用介質 | 煤氣等有毒、有害、易燃氣體 | |||
啟閉時間S | ≤60 | |||
主要零部件材料 | 閥體、閘板為碳鋼;絲桿為合金鋼;螺母為錳銅合金、球墨鑄鐵;伸縮器為不銹鋼 |
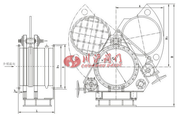
氣動盲板閥 結構圖
氣動盲板閥 連接尺寸
DN | D | D1 | b | n-φd | L |
300 | 440 | 395 | 22 | 12-φ22 | 450 |
350 | 490 | 445 | 22 | 12-φ22 | 450 |
400 | 540 | 495 | 22 | 16-φ22 | 450 |
450 | 595 | 550 | 24 | 16-φ22 | 500 |
500 | 645 | 600 | 24 | 16-φ22 | 500 |
600 | 755 | 705 | 24 | 20-φ26 | 600 |
700 | 860 | 810 | 26 | 24-φ26 | 600 |
800 | 975 | 920 | 26 | 24-φ30 | 800 |
900 | 1075 | 1020 | 28 | 24-φ30 | 800 |
1000 | 1175 | 1120 | 30 | 28-φ30 | 800 |
更多>> 產品列表
- · 手動通風蝶閥 | D41W
- · 蝸輪通風蝶閥 | D341W
- · 對夾通風蝶閥 | D371W
- · 氣動通風蝶閥 | D641W
- · 電動通風蝶閥 | D941W
- · 電動高溫通風蝶閥 | D941W
- · 氣動調節風閥 | D641W
- · 電動調節風閥 | D941W
- · 手動百葉蝶閥 | DB340W
- · 電動百葉蝶閥 | DB940W
- · 方形風門 | DF41W
- · 矩形百葉蝶閥 | DBJ940W
- · 星形卸灰閥 | GLF
- · 盲板閥 | F43CX
- · 電動盲板閥 | F943CX
- · 氣動盲板閥 | F643CX
- · 插板閥 | LMD
- · 雙向插板閥 | LMS
- · 拍門 | PM
- · 泄爆閥 | XB-42
- · 雙層重錘式鎖風卸灰閥 | DFSXF
- · 電動三通分料閥 | DSTFLF
更多>> 閥門圖片列表
更多>> 其他閥門