手動通風蝶閥 | D41W
手動通風蝶閥 產品說明
手動蝶閥廣泛適用于 建材、玻璃、礦山、電力、輕工、造紙等行業, 在管路上作為雙向啟閉及調節介質
的流量的重要設備, 對管路中流量根據工況的不同需要進行調節,以滿足管道工藝運行的需要。手動蝶閥 采用優質鋼板焊接而成, 設計新穎、結構簡單實用、體積小、重量輕、流阻小、啟閉力矩小, 調節輕松自如、靈活可靠, 開度指示顯著、清晰、準確,便于觀察和操作 ,能有效地控制氣體流量,是 各種風管系統中理想的調節設備 。
手動通風蝶閥 性能參數
公稱通徑 | DN(mm) | 50-2000 | ||
---|---|---|---|---|
公稱壓力 | PN(MPa) | 0.05 | 0.25 | 0.6 |
試驗壓力 | 強度試驗 | 0.075 | 0.375 | 0.9 |
密封試驗 | ≤1%泄流量 | |||
適用介質 | 煤氣、含塵氣體、煙道氣等 | |||
驅動形式 | 手動、蝸輪傳動、氣動、電動等 |
手動通風蝶閥 主要材質
閥體 | 碳鋼、不銹鋼、鉻鎳鉬鈦鋼、鉻鉬鈦鋼 |
---|---|
蝶閥 | 碳鋼、不銹鋼、鉻鎳鉬鈦鋼、鉻鉬鈦鋼 |
密封圈 | 與閥體相同 |
閥桿 | 碳鋼、2Cr13、不銹鋼、鉻鎳鉬鈦鋼 |
填料 | 氟塑料、柔性石墨 |
手動通風蝶閥 密封材料選用和適用溫度
材料品種 | 碳素鋼 | 低溫碳鋼 | 合金鋼 | 奧氏體不銹鋼 | 鉻鉬鋼 |
---|---|---|---|---|---|
代號 | WCB | LCB | WC6或WC9 | 304\316 | 12CrMoV |
耐高溫度 | 425℃ | 345℃ | 595℃ | 600℃ | 560℃ |
耐低溫度 | -29℃ | -46℃ | -29℃ | -196℃ | -40℃ |
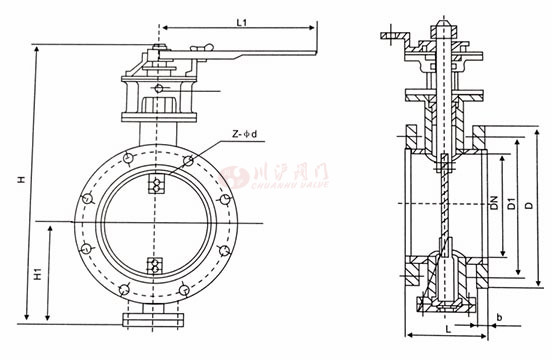
手動通風蝶閥 結構圖
手動通風蝶閥 連接尺寸
DN | D | D1 | n-do | b | L | 重量 | ||
---|---|---|---|---|---|---|---|---|
D41W | D341W | D941W | ||||||
200 | 320 | 280 | 8-18 | 16 | 140 | 34 | 42 | 78 |
250 | 375 | 335 | 12-18 | 16 | 140 | 38 | 46 | 83 |
300 | 440 | 395 | 12-22 | 16 | 170 | 48 | 54 | 93 |
350 | 490 | 445 | 12-22 | 16 | 170 | 56 | 64 | 95 |
400 | 540 | 495 | 16-22 | 16 | 190 | 73 | 81 | 98 |
450 | 595 | 550 | 16-22 | 16 | 190 | 81 | 110 | 140 |
500 | 645 | 600 | 20-22 | 16 | 190 | 99 | 128 | 179 |
600 | 755 | 705 | 20-26 | 18 | 210 | 127 | 157 | 213 |
700 | 860 | 810 | 24-26 | 18 | 210 | 152 | 199 | 267 |
800 | 975 | 920 | 24-30 | 18 | 210 | 182 | 229 | 326 |
900 | 1075 | 1020 | 24-30 | 18 | 250 | 240 | 287 | 385 |
1000 | 1175 | 1120 | 28-30 | 18 | 250 | 383 | 430 | 528 |
1100 | 1275 | 1220 | 28-30 | 18 | 250 | ? | 620 | 682 |
1200 | 1375 | 1320 | 32-30 | 18 | 250 | ? | 765 | 827 |
1400 | 1575 | 1520 | 36-30 | 18 | 300 | ? | 1188 | 1250 |
1600 | 1790 | 1730 | 40-30 | 22 | 300 | ? | 1393 | 155 |
1800 | 1990 | 1930 | 44-30 | 22 | 300 | ? | 1800 | 1865 |
2000 | 2190 | 2130 | 48-30 | 22 | 300 | ? | 2130 | 2190 |
2100 | 2300 | 2240 | 52-33 | 22 | 300 | ? | ? | 2785 |
2200 | 2405 | 2340 | 52-33 | 26 | 350 | ? | ? | 3690 |
2400 | 2605 | 2540 | 56-33 | 26 | 350 | ? | ? | 4720 |
2600 | 2805 | 2740 | 60-33 | 26 | 350 | ? | ? | 5530 |
2800 | 3030 | 2960 | 64-36 | 26 | 400 | ? | ? | 6035 |
3000 | 3230 | 3160 | 68-36 | 26 | 400 | ? | ? | 6280 |
更多>> 產品列表
- · 手動通風蝶閥 | D41W
- · 蝸輪通風蝶閥 | D341W
- · 對夾通風蝶閥 | D371W
- · 氣動通風蝶閥 | D641W
- · 電動通風蝶閥 | D941W
- · 電動高溫通風蝶閥 | D941W
- · 氣動調節風閥 | D641W
- · 電動調節風閥 | D941W
- · 手動百葉蝶閥 | DB340W
- · 電動百葉蝶閥 | DB940W
- · 方形風門 | DF41W
- · 矩形百葉蝶閥 | DBJ940W
- · 星形卸灰閥 | GLF
- · 盲板閥 | F43CX
- · 電動盲板閥 | F943CX
- · 氣動盲板閥 | F643CX
- · 插板閥 | LMD
- · 雙向插板閥 | LMS
- · 拍門 | PM
- · 泄爆閥 | XB-42
- · 雙層重錘式鎖風卸灰閥 | DFSXF
- · 電動三通分料閥 | DSTFLF
更多>> 閥門圖片列表
更多>> 其他閥門