對夾升降式止回閥 | H71W/H
對夾升降式止回閥 產品說明
對夾升降式止回閥采用短型結構尺寸和單閥瓣設計,相比傳統的旋啟式止回閥,該系列閥門具有無外泄露、可任意位置安裝、密封性能好、線性震動小、壓降小和零座圈磨損優勢。產品特點:
1、結構與長度短,其結構長度只有傳統法蘭止回閥1/4-1/8 2、體積小、重量輕,其重量只有傳統法蘭止回閥1/4-1/20 3、閥瓣關閉快速,水錘壓力小 4、水平管道或垂直管道均可使用,安裝方便
對夾升降式止回閥 產品特點
公稱壓力(MPa) | 1.6 | 2.5 | 4.0 | 6.4 | 10.0 | |
---|---|---|---|---|---|---|
密封試驗壓力(MPa) | 1.76 | 2.75 | 4.4 | 7.1 | 11.0 | |
殼體試驗壓力(MPa) | 2.4 | 3.75 | 6.0 | 9.6 | 15.0 | |
適用溫度(℃) | WCB≤350,304,316≤200 | |||||
材料 | 閥體 | WCB,304,316 | ||||
閥瓣 | WCB,304,316 | |||||
彈簧 | 不銹鋼 | |||||
閥座 | 丁腈橡膠,合金鋼 |
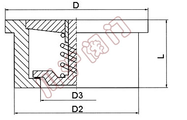
對夾升降式止回閥 結構尺寸圖
對夾升降式止回閥 連接尺寸
公稱壓力 PN(MPa) |
公稱通徑 DN(mm) |
尺寸(mm) | 配管法蘭(供參考) | ||||||
---|---|---|---|---|---|---|---|---|---|
L | D | D3 | D2 | 螺栓孔中 心圓直徑D1 |
螺栓數量 | 螺栓直徑d | 螺栓長度L1 | ||
4.0 | 15 | 16 | 52 | 15 | 44 | 65 | 4 | M12 | 80 |
20 | 19 | 62 | 19 | 52 | 75 | 4 | M12 | 90 | |
25 | 22 | 72 | 24 | 60 | 85 | 4 | M12 | 90 | |
32 | 28 | 83 | 31 | 72 | 100 | 4 | M16 | 110 | |
40 | 31.5 | 93 | 39 | 74 | 110 | 4 | M16 | 115 | |
50 | 40 | 109 | 48 | 98 | 125 | 4 | M16 | 125 | |
65 | 46 | 129 | 63 | 117 | 145 | 8 | M16 | 135 | |
80 | 50 | 144 | 78 | 128 | 160 | 8 | M16 | 145 | |
100 | 60 | 168 | 98 | / | 190 | 8 | M20 | 160 | |
125 | 90 | 196 | 123 | / | 220 | 8 | M24 | 205 | |
150 | 106 | 224 | 148 | / | 250 | 8 | M24 | 225 | |
200 | 140 | 291 | 198 | / | 320 | 12 | M27 | 275 | |
250 | 160 | 353 | 248 | / | 385 | 12 | M30 | 295 | |
6.4 | 15 | 25 | 62 | 15 | / | 75 | 4 | M12 | 100 |
20 | 31.5 | 73 | 19 | / | 90 | 4 | M16 | 115 | |
25 | 35.5 | 83 | 24 | / | 100 | 4 | M16 | 130 | |
32 | 40 | 89 | 31 | / | 110 | 4 | M20 | 140 | |
40 | 45 | 104 | 39 | / | 125 | 4 | M20 | 150 | |
50 | 56 | 114 | 48 | / | 135 | 4 | M20 | 160 | |
65 | 63 | 138 | 63 | / | 160 | 8 | M20 | 170 | |
80 | 71 | 148 | 78 | / | 170 | 8 | M20 | 180 | |
100 | 80 | 174 | 98 | / | 200 | 8 | M24 | 200 | |
125 | 110 | 211 | 123 | / | 240 | 8 | M27 | 245 | |
150 | 125 | 248 | 148 | / | 280 | 8 | M30 | 270 | |
200 | 160 | 310 | 198 | / | 345 | 8 | M33 | 325 | |
250 | 180 | 362 | 248 | / | 400 | 8 | M33 | 350 | |
10.0 | 15 | 25 | 62 | 15 | / | 75 | 4 | M12 | 100 |
20 | 31.5 | 73 | 19 | / | 90 | 4 | M16 | 115 | |
25 | 35.5 | 83 | 24 | / | 100 | 4 | M16 | 130 | |
32 | 40 | 89 | 31 | / | 110 | 4 | M20 | 140 | |
40 | 45 | 104 | 39 | / | 125 | 4 | M20 | 150 | |
50 | 56 | 120 | 48 | / | 145 | 4 | M24 | 172 | |
65 | 63 | 144 | 63 | / | 170 | 8 | M24 | 185 | |
80 | 71 | 154 | 78 | / | 180 | 8 | M24 | 195 | |
100 | 80 | 181 | 98 | / | 210 | 8 | M27 | 220 | |
125 | 110 | 218 | 123 | / | 250 | 8 | M30 | 265 | |
150 | 125 | 258 | 148 | / | 290 | 12 | M30 | 285 | |
200 | 160 | 324 | 198 | / | 360 | 12 | M33 | 345 | |
250 | 180 | 392 | 248 | / | 430 | 12 | M36 | 365 |
壓力級 | 口徑DN | 尺寸(mm) | 配管法蘭(供參考) | ||||||||
---|---|---|---|---|---|---|---|---|---|---|---|
NPS | DN | L | D | D3 | D2 | 螺栓孔中 心圓直徑D1 |
螺栓數量 | 螺栓直徑d | 螺栓長度L1 | ||
in | mm | ||||||||||
Class150 | 1/2 | 15 | 16 | 46 | 15 | 44 | 60.5 | 4 | 1/2 | M14 | 90 |
3/4 | 20 | 19 | 56 | 19 | 52 | 70 | 4 | 1/2 | M14 | 100 | |
/ | 25 | 22 | 65 | 24 | 60 | 79.5 | 4 | 1/2 | M14 | 110 | |
1 1/4 | 32 | 28 | 74 | 31 | 72 | 89 | 4 | 1/2 | M14 | 120 | |
1 1/2 | 40 | 31.5 | 84 | 39 | 74 | 98.5 | 4 | 1/2 | M14 | 130 | |
2 | 50 | 40 | 103 | 48 | 98 | 120.5 | 4 | 5/8 | M16 | 145 | |
2 1/2 | 65 | 46 | 122 | 63 | 117 | 139.5 | 4 | 5/8 | M16 | 160 | |
3 | 80 | 50 | 135 | 78 | 128 | 152.5 | 4 | 5/8 | M16 | 170 | |
4 | 100 | 60 | 173 | 98 | - | 190.5 | 8 | 5/8 | M16 | 180 | |
5 | 125 | 90 | 195 | 123 | - | 216.0 | 8 | 3/4 | M20 | 210 | |
6 | 150 | 106 | 220 | 148 | - | 241.5 | 8 | 3/4 | M20 | 230 | |
8 | 200 | 140 | 277 | 198 | - | 298.5 | 8 | 3/4 | M20 | 270 | |
10 | 250 | 160 | 337 | 248 | - | 362.0 | 12 | 7/8 | M24 | 290 | |
Class300 | 1/2 | 15 | 25 | 52 | 15 | - | 66.5 | 4 | 1/2 | M14 | 100 |
3/4 | 20 | 31.5 | 65 | 19 | - | 82.5 | 4 | 5/8 | M16 | 110 | |
/ | 25 | 35.5 | 72 | 24 | - | 89 | 4 | 5/8 | M16 | 120 | |
1 1/4 | 32 | 40 | 81 | 31 | - | 98.5 | 4 | 5/8 | M16 | 130 | |
1 1/2 | 40 | 45 | 94 | 39 | - | 114.5 | 4 | 3/4 | M20 | 140 | |
2 | 50 | 56 | 110 | 48 | - | 127.0 | 8 | 5/8 | M16 | 150 | |
2 1/2 | 65 | 63 | 128 | 63 | - | 149.0 | 8 | 3/4 | M20 | 170 | |
3 | 80 | 71 | 148 | 78 | - | 168.5 | 8 | 3/4 | M20 | 190 | |
4 | 100 | 80 | 179 | 98 | - | 200.0 | 8 | 3/4 | M20 | 200 | |
5 | 125 | 110 | 214 | 123 | - | 235.0 | 8 | 3/4 | M20 | 240 | |
6 | 150 | 125 | 249 | 148 | - | 270.0 | 12 | 3/4 | M20 | 260 | |
8 | 200 | 160 | 305 | 198 | - | 330.0 | 12 | 7/8 | M24 | 310 | |
10 | 250 | 180 | 359 | 248 | - | 387.5 | 16 | 1 | M27 | 330 | |
Class600 | 1/2 | 15 | 25 | 52 | 15 | - | 66.5 | 4 | 1/2 | M14 | 100 |
3/4 | 20 | 31.5 | 65 | 19 | - | 82.5 | 4 | 5/8 | M16 | 110 | |
/ | 25 | 35.5 | 72 | 24 | - | 89.0 | 4 | 5/8 | M16 | 120 | |
1 1/4 | 32 | 40 | 81 | 31 | - | 98.5 | 4 | 5/8 | M16 | 130 | |
1 1/2 | 40 | 45 | 94 | 39 | - | 114.5 | 4 | 3/4 | M20 | 140 | |
2 | 50 | 56 | 110 | 48 | - | 127.0 | 8 | 5/8 | M16 | 150 | |
2 1/2 | 65 | 63 | 128 | 63 | - | 149.0 | 8 | 3/4 | M20 | 170 | |
3 | 80 | 71 | 147 | 78 | - | 168.5 | 8 | 3/4 | M20 | 190 | |
4 | 100 | 80 | 191 | 98 | - | 216.0 | 8 | 3/4 | M24 | 200 | |
5 | 125 | 110 | 239 | 123 | - | 267.0 | 8 | 3/4 | M27 | 240 | |
6 | 150 | 125 | 264 | 148 | - | 292.0 | 12 | 3/4 | M27 | 290 | |
8 | 200 | 160 | 318 | 198 | - | 349.0 | 12 | 7/8 | M30 | 350 | |
10 | 250 | 180 | 398 | 248 | - | 432.0 | 16 | 1 | M33 | 370 | |
Class900 | 1/2 | 15 | 25 | 62 | 25 | 15 | 82.5 | 4 | 3/4 | M20 | 125 |
3/4 | 20 | 31.5 | 69 | 30 | 19 | 89.0 | 4 | 3/4 | M20 | 135 | |
1 | 25 | 35.5 | 77 | 36 | 24 | 101.5 | 4 | 7/8 | M24 | 155 | |
1 1/4 | 32 | 40 | 87 | 43 | 31 | 111.0 | 4 | 7/8 | M24 | 160 | |
1 1/2 | 40 | 45 | 97 | 52 | 39 | 124.0 | 4 | 1 | M27 | 175 | |
2 | 50 | 56 | 140 | 62 | 48 | 165.0 | 8 | 7/8 | M24 | 195 | |
2 1/2 | 65 | 63 | 162 | 75 | 62 | 190.5 | 8 | 1 | M27 | 215 | |
3 | 80 | 71 | 165 | 90 | 76 | 190.5 | 8 | 7/8 | M24 | 210 | |
4 | 100 | 80 | 204 | 112 | 95 | 235.0 | 8 | 1 1/8 | M30 | 245 | |
5 | 125 | 110 | 245 | 125 | 110 | 279.5 | 8 | 1 1/4 | M33 | 290 | |
6 | 150 | 125 | 286 | 150 | 127 | 317.5 | 12 | 1 1/8 | M30 | 310 | |
8 | 200 | 160 | 356 | 200 | 165 | 393.5 | 12 | 1 3/8 | M36 | 375 |
對夾升降式止回閥圖片