升降式止回閥 | H41W/H
升降式止回閥 產品說明
升降式止回閥,連接方式法蘭式,止回閥又稱單向閥或逆止閥,其作用是防止管路中的介質倒流。啟閉件靠介質流動和力量自行開啟或關閉,以防止介質倒流的閥門叫止回閥。止回閥屬于自動閥類,主要用于介質單向流動的管道上,只允許介質向一個方向流動,以防止發生事故。本類閥門在管道中一般應當水平安裝。升降式法蘭止回閥適用于水、蒸汽、油品、硝酸、醋酸、強氧化性介質及尿素等多種介質。主要用于石油、化工、制藥、化肥、電力等管路上。
升降式止回閥 產品特點
型號 | H41H-16C~100 | H41Y-16C~100 | H41W-16P~100 | |
---|---|---|---|---|
工作壓力(MPa) | 1.6~10.0 | |||
適用溫度(℃) | ≤425 | ≤150 | ||
適用介質 | 水、蒸汽、油品 | 弱腐蝕性介質 | ||
材料 | 閥體、閥蓋 | 碳鋼 | 鉻鎳鈦不銹鋼 | |
密封面 | 堆焊鉻不銹鋼 | 堆焊硬質合金 | 鉻鎳鈦不銹鋼 | |
墊片 | 鋼帶石墨參纏繞 | 聚四氟乙烯 |
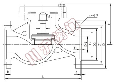
升降式止回閥 結構尺寸圖
升降式止回閥 連接尺寸
公稱通徑 | 主要外形尺寸和連接尺寸 | ||||||
---|---|---|---|---|---|---|---|
L | D | D1 | D2 | b | Z-d | H | |
H41H-16C、H41W-16C、H41W-16P 、H41W-16R、H41W-16I | |||||||
15 | 130 | 95 | 65 | 45 | 14 | 4-14 | 77 |
20 | 150 | 105 | 75 | 55 | 14 | 4-14 | 77 |
25 | 160 | 115 | 85 | 65 | 14 | 4-14 | 80 |
32 | 180 | 135 | 100 | 75 | 16 | 4-18 | 85 |
40 | 200 | 145 | 110 | 85 | 16 | 4-18 | 95 |
50 | 230 | 160 | 125 | 100 | 16 | 4-18 | 105 |
65 | 290 | 180 | 145 | 120 | 18 | 4-18 | 120 |
80 | 310 | 195 | 160 | 135 | 20 | 8-18 | 130 |
100 | 350 | 215 | 180 | 155 | 20 | 8-18 | 140 |
125 | 400 | 245 | 210 | 185 | 22 | 8-18 | 155 |
150 | 480 | 280 | 240 | 210 | 24 | 8-23 | 180 |
200 | 600 | 335 | 295 | 265 | 26 | 12-23 | 215 |
250 | 730 | 405 | 355 | 320 | 30 | 12-25 | 260 |
300 | 850 | 460 | 410 | 375 | 34 | 12-25 | 315 |
H41H-25C、H41W-25C、H41W-25P 、H41W-25R、H41W-25I | |||||||
15 | 130 | 95 | 65 | 45 | 16 | 4-14 | 100 |
20 | 150 | 105 | 75 | 55 | 16 | 4-14 | 105 |
25 | 160 | 115 | 85 | 65 | 16 | 4-14 | 120 |
32 | 180 | 135 | 100 | 78 | 18 | 4-18 | 130 |
40 | 200 | 145 | 110 | 85 | 18 | 4-18 | 135 |
50 | 230 | 160 | 125 | 100 | 20 | 4-18 | 149 |
65 | 290 | 180 | 145 | 120 | 22 | 8-18 | 160 |
80 | 310 | 195 | 160 | 135 | 22 | 8-18 | 169 |
100 | 350 | 230 | 190 | 160 | 24 | 8-23 | 194 |
125 | 400 | 270 | 220 | 180 | 28 | 8-25 | 222 |
150 | 480 | 300 | 250 | 218 | 30 | 8-25 | 255 |
200 | 600 | 360 | 310 | 278 | 34 | 12-25 | 305 |
250 | 730 | 425 | 370 | 332 | 36 | 12-30 | 355 |
300 | 850 | 485 | 430 | 390 | 40 | 16-30 | 410 |
升降式止回閥圖片