立式升降止回閥 | H42W/H
立式升降止回閥 產品說明
立式止回閥是一種閥瓣沿著閥體垂直中心線滑動的止回閥,法蘭升降式止回閥只能安裝在垂直管道上,它的流體阻力系數較大,但密封性較旋啟式止回閥好。執行標準
設計規范:GB/T 12233 結構長度:GB/T 12221 連接法蘭:JB/T 79,HG20592,GB9113,ANSI 試驗與檢驗:JB/T 9092,GB/T13927 壓力-溫度:GB/T 9131 產品標識:GB/T 12220
立式升降止回閥 產品特點
公稱壓力(MPa) | 1.6 | 2.5 | 4.0 | |
---|---|---|---|---|
密封試驗壓力(MPa) | 1.76 | 2.75 | 4.4 | |
殼體試驗壓力(MPa) | 2.4 | 3.75 | 6.0 | |
適用溫度(℃) | WCB≤350,304/316≤200 | |||
材料 | 閥體 | WCB,304,316 | ||
閥座 | WCB,304,316 | |||
閥瓣 | WCB,304,316 | |||
密封圈 | 合金鋼,司太立 | |||
墊片 | 石墨,聚四氟乙烯 |
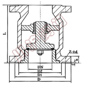
立式升降止回閥 結構尺寸圖
立式升降止回閥 連接尺寸
公稱壓力 | 公稱通徑 DN |
尺寸 | ||||||
---|---|---|---|---|---|---|---|---|
L | D | D1 | D2 | b | Z-Φ | |||
系列1 | 系列2 | |||||||
1.6MPa 2.5MPa 4.0MPa |
15 | 85 | 85 | 95 | 65 | 45 | 16 | 4-Φ14 |
20 | 95 | 95 | 105 | 75 | 55 | 16 | 4-Φ14 | |
25 | 100 | 105 | 115 | 85 | 65 | 16 | 4-Φ14 | |
32 | 105 | 150 | 135 | 100 | 78 | 16 | 4-Φ14 | |
40 | 115 | 160 | 145 | 110 | 88 | 18 | 4-Φ14 | |
50 | 125 | 170 | 160 | 125 | 100 | 20 | 4-Φ14 | |
65 | 145 | 180 | 180 | 145 | 120 | 22 | 8-Φ18 | |
80 | 155 | 200 | 195 | 160 | 135 | 22 | 8-Φ18 | |
100 | 210 | 210 | 230 | 190 | 160 | 24 | 8-Φ23 | |
125 | 275 | 275 | 275 | 220 | 188 | 28 | 8-Φ25 | |
150 | 225 | 300 | 300 | 250 | 218 | 30 | 8-Φ25 | |
200 | 380 | 380 | 360 | 310 | 278 | 34 | 12-Φ25 |
立式升降止回閥圖片